


- 產品概述
一、產品概述:
JB-70型三相防爆380V手搖、電動二用計量加油泵適用于各地中小型油主加,加油站、農機站、供銷社、企業廠礦車隊、車輛、船舶等單位吸送各種油料,如汽油、柴油、煤油、機油、食品油等。結構緊湊、質量可靠、性能穩定、移動方便等優點,并裝置有防爆電機與25毫米流量表,有電源時可電動加油,無電源時即可手搖加油,計量準確,沒有回零裝置。
本泵為葉片式內有溢流閥裝置,當油箱加滿油料后,要關閉油槍時,葉片泵可繼續工作,油壓超過額定壓力時泵內溢流閥即起自動作用,將油料自行回流到油池或油罐內等特點。
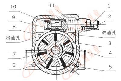
二、產品結構:
三、技術規范:
型號
|
進出
口徑
mm
|
流量范圍
L/min
|
吸程
m
|
揚程
m
|
計量精度
%
|
電機
功率
KW
|
電壓
V
|
重量
Kg
|
累積
計數
范圍
|
備注
|
JB-70A
|
25
|
55~65
|
5
|
25
|
±1
|
0.75
|
220
|
75
|
999
|
防爆電機
鑄鐵
|
四、維護保養:
五、操作使用:
- 上一個產品: JB-70B型單相防爆220V手電二用計量加油泵
- 下一個產品: JB-70型220電壓手電二用計量加油泵