


- 產品概述
- 選型參數
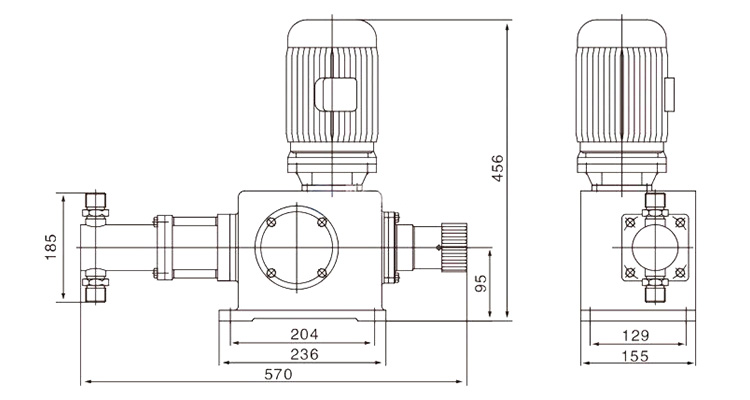
- 安裝尺寸
- 應用領域
通過柱塞的往復運動直接將工作介質(黃色)吸入和排出。由于柱塞和密封都接觸介質的情況下,選擇合適的柱塞材質和密封形式可保證泵在運轉過程中具有理想的性能。 柱塞泵頭結構簡單、經濟、計量精度高,需要選擇和維護好密封。柱塞和密封之間橫向自動對中性確保二者之間磨損小。 柱塞材質有不銹鋼、氧化陶瓷,氧化陶瓷具有耐腐蝕和硬度高耐磨的特點。
主要應用
◆ 石油、石化/化工工藝過程中高壓力大流量工況要求,或危險化學品注入及輸送陸地及海上石油天然氣撬裝系統,核電、軍工等特殊工藝應用環保、醫藥、造紙、食品其它行業的關鍵過程。
柱塞泵頭的優點
◆ 高性價比、自吸性能好 、死角空間小、特殊設計的閥
◆ 加熱/冷卻夾套
◆ 密封沖洗結構
◆ 特殊設計的密封
◆ 一種可選項:泵頭整體帶保溫夾套,閥易拆卸
1. 流量范圍: 0-470 L/H
2. 壓力范圍: 0-50 Mpa
3. 計量精度:±1%
4. 介質粘度:0-800 mm2/s
5. 輸送介質溫度:450℃以下
6. 驅動系統:兩相、三相電機或防爆電機
7. 流量控制:手動控制,自動控制
●標配:泵頭304 電機380V 50Hz
●選配:泵頭316、316L、防爆電機、變頻電機
電機420V、220V、110V
三、DZ-Z型柱塞式計量泵參數選型:
- 上一個產品: DZ-X2型柱塞式計量泵
- 下一個產品: DZ-ZR型柱塞式計量泵