


- 產品概述
- 選型參數
- 安裝尺寸
- 應用領域
- 使用說明
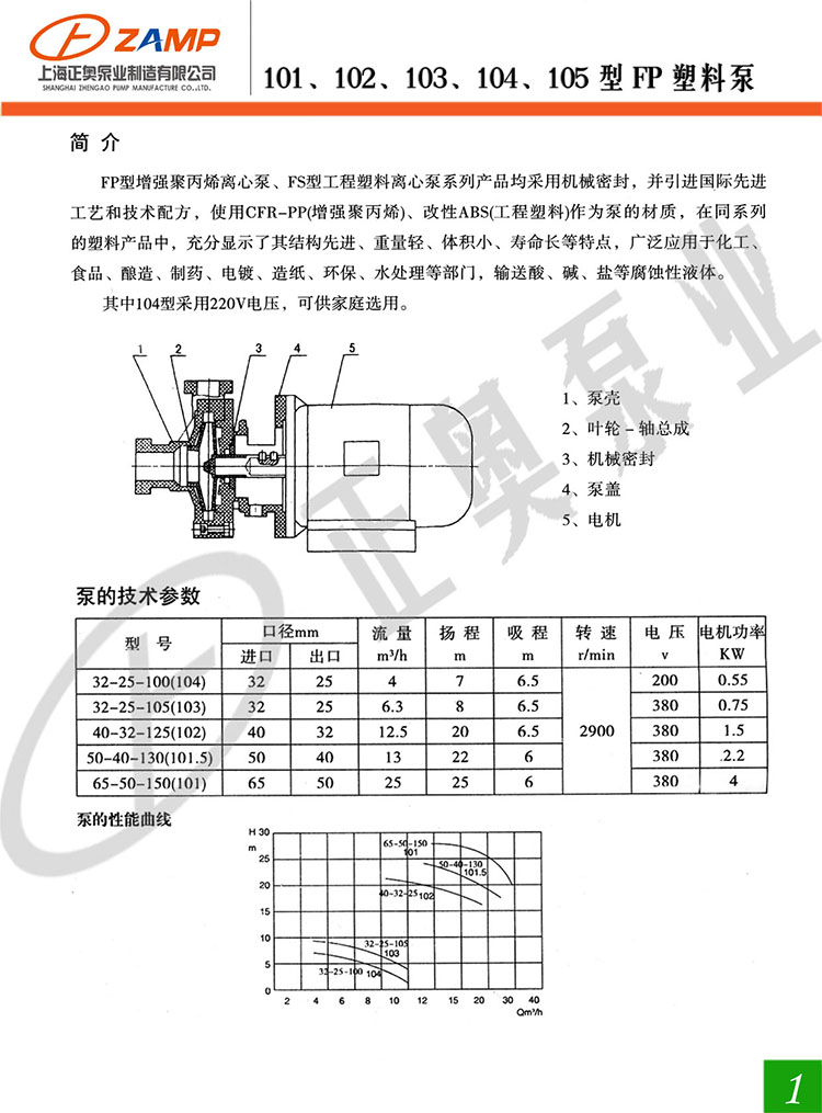
一、產品概述:
正奧公司生產的101型、102型、103型、104型、105型泵系單吸直聯式塑料離心泵是一種小型塑料泵,產品結構較、體積小、重量輕、耗電省、耐酸堿、密封好、維修方便。FS型工程塑料離心泵系列產品均采用機械密封全使用改性ABS(工程塑料)作為泵的材質,在同系列的塑料泵產品中,充分顯示了其結構、重量輕、體積小、壽命長等特點,廣泛應用于化工,食品、制藥、電鍍、造紙、環保、水處理等部門,輸送酸、堿、鹽等腐蝕性液體。其中104型采用220V電壓,可供家庭選用。
二、主要用途:
塑料泵廣泛應用于化工、食品、釀造、制藥、電鍍、造紙、環保、水 處理等部門,輸送酸、堿、鹽等腐蝕性液體。
三、結構說明:
四、型號說明:
五、性能參數:
產品名稱
|
型 號
|
口徑mm
|
流量
(m3/h)
|
揚程
(mm)
|
功率
(KW)
|
轉速
(r/min)
|
吸程
(m)
|
電壓
(V)
|
|
進口
|
出口
|
||||||||
105塑料離心泵
|
FP(FS)20-15-100
|
20
|
15
|
6.5
|
6.5
|
0.37
|
2900
|
3
|
220/380
|
104塑料離心泵
|
FP(FS)25-20-100
|
32
|
25
|
4
|
7
|
0.55
|
2900
|
6
|
220/380
|
103塑料離心泵
|
FP(FS)32-25-105
|
32
|
25
|
6.3
|
8
|
0.75
|
2900
|
6
|
220/380
|
102塑料離心泵
|
FP(FS)40-32-125
|
40
|
32
|
12.5
|
20
|
1.5
|
2900
|
6
|
380
|
101.5塑料離心泵
|
FP(FS)50-40-130
|
50
|
40
|
20
|
17
|
2.2
|
2900
|
3
|
380
|
101塑料離心泵
|
FP(FS)65-50-150
|
65
|
50
|
20
|
25
|
4
|
2840
|
5.5
|
380
|
六、泵故障形式與排除方法:
故障形式 |
產生原因 |
排除方法 |
泵不出液 |
|
|
流量不足 |
|
|
揚程過低 |
|
|
噪音過低 |
|
|
漏液 |
|
|




- 上一個產品: 暫無文章
- 下一個產品: FPZ型耐腐蝕塑料自吸泵