


- 產品概述
- 選型參數
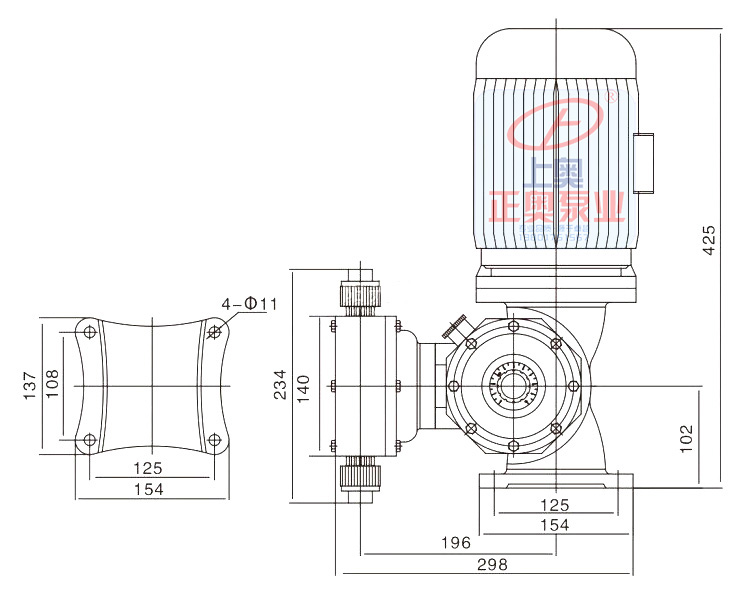
- 安裝尺寸
- 應用領域
一、DJ-Z型機械驅動隔膜式計量泵技術參數:
1. 流量范圍:0-500L/H
2. 壓力范圍:0-1.2MPa
3. 驅動方式:電機驅動
4. 控制方式:手動、自動控制
5. 計量泵頭: 聚氯乙烯、SUS304、SUS316、聚四氟乙烯
6. 計量閥: 聚氯乙烯、SUS304、SUS316、聚四氟乙烯
7. 電機: 二相、三相標準電機或防爆電機
8. 閥球: 二氧化硅、SUS304、SUS316、陶瓷
9. 密封: 聚四氟乙烯、聚氯乙烯
10. 防護等級:IP55
11. 環境溫度: -30℃---90℃
為保證提供適合用戶應用條件的計量泵,用戶在選型和訂貨時請盡量提供以下參數:
A:輸送的介質(液體名稱) F : 比 重
B:流量(L/H) G:固體含量
C:系統壓力(MPa) H:自動(手動)控制方式
D:介質溫度(℃) I:外部控制信號類型
E:輸送介質的粘度(CP)
二、DJ-Z型機械驅動隔膜式計量泵產品特點:
1、性價比高,普遍適用于,壓力要求不高的水處理行業
2、采用偏心機構.整體上完全無泄露,可安置于藥槽或管道上。
3、鑄鋁殼體,散熱性能高,整體重量輕,適用各種酸堿藥液,無毒無味。
4、接觸介質泵頭為PVC、可選PTFE、及不銹鋼材質。
5、在泵運行或停止時也可任意調節流量也可定量輸出。
6、隔膜計量泵為多層復合結構壓制而成,第一層超韌性Teflon耐酸薄膜,第二層EPDM彈性橡膠,第三層厚度3.mm SUS304支撐鐵芯,第四層采用強化尼龍纖維補強,第五采用EPDM彈性橡膠完全包履,可有效提升隔膜使用壽命。
三、DJ-Z型機械驅動隔膜式計量泵原理:
本系列產品原理特性是由電機通過渦輪蝸桿驅動的機械隔膜式計量泵,適用于低壓場合的流體計量。
隔膜式計量泵利用柔性隔膜取代活塞,在驅動機構的帶動下使隔膜作來回往復運動,改變泵腔容積,在泵進出口閥的作用下吸排液體。
隔膜式計量泵可按各種工藝流程的需要,流量可在0-100%范圍內無級調節,定量輸送不含固體顆粒的腐蝕性和非腐蝕行性液體,泵頭配有多種過流材料(PPH、PTFE、PVC、PVDF、RPP、SS304、316、316L)。
隔膜計量泵由于能用隔膜把過流液體與驅動潤滑機構之間的完全隔離,采用高科技的結構設計,并使用最新型的PTFE與橡膠復合膜片,耐腐蝕強,大大的提高了膜片的使用壽命。
三、DJ-Z型機械驅動隔膜式計量泵參數選型:

- 上一個產品: KD系列 隔膜式計量泵
- 下一個產品: DJ-X2型機械驅動隔膜式計量泵